
HDO4000 型号提供精密测量和快速调试。 它们将 Teledyne LeCroy 的 HD4096 高清技术与长期记忆、紧凑外形设计、12.1 英寸 WXGA 多触摸显示屏和强大的调试工具组合在一起。 创新的旋转/倾斜支脚容易获得四个不同的查看位置,使用时能够实现最佳灵活性。
Teledyne LeCroy HD4096 高清技术
12 位 ADC 分辨率
多语言用户界面
直观高效的触摸屏界面(如配置通道、时基和触发等操作)
WaveScan 高级搜索和查找(如矮波和毛刺等)
LabNotebook 文档和报告生成(只需按一下按钮)
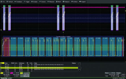
历史记录模式波形回放
频谱分析仪模式
单独提供的 HDO4000 附件包括:无源探头 PP026-1 或 PP026-2(922-5270 或 922-5273);电流探头 CP030A ( 878-7604 ) 和 CP031A ( 878-7607 );高电压差分探头 HVD3106-6M ( 878-7601 )、HVD3206-6M ( 918-6866 );有源探头 ZS1500 ( 878-7610 );有源差分探头 ZD500 ( 878-7613 ) 和 ZD1500 ( 878-7617 );触发和解码选项 CAN FD ( 851-3191 )、ENET 总线 ( 878-7629 );曼彻斯特总线 ( 878-7623 )、NRZ 总线 ( 878-7632 )、CAN LIN FlexRay 封装 ( 878-7635 )、CAN ( 878-7639 )、LIN ( 878-7648 )、FlexRay ( 878-7641 )、SENT 总线 ( 878-7645 )、12C SPI UART RS232 封装 ( 878-7654 )、12C 总线 ( 878-7651 )、SPI 总线 ( 878-7663 )、UART RS232 总线 ( 878-7679 )、AudioBus ( 878-7682 )、DigRF 3G 总线 ( 878-7689 )、DigRF V4 总线 ( 878-7698 )、D-PHY 总线 ( 878-7695 )、ARINC 429 总线符号 ( 878-7708 )、MIL-STD-1553 ( 878-7695 )、USB 2.0 总线 ( 878-7718 )、USB 2.0 HSIC ( 878-7724 )、功率分析 ( 878-7749 )、频谱分析 ( 878-7746 )。
无源探头(每个通道 1 个)、入门指南、防病毒软件(试用版)、Microsoft Windows 嵌入式标准 7 P 64 位许可证、商业 NIST 可追踪校准,带证书、电源电缆
|
|